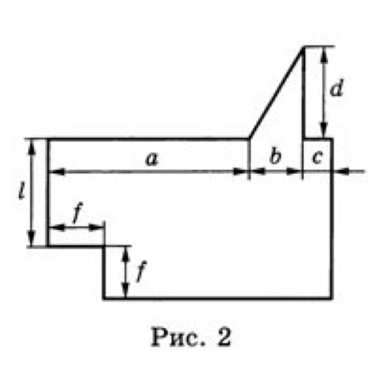
• Составьте формулу для вычисления площади фигуры, изображенной на вложении.( оно есть)

    question img

Ответы 1

  • (((l+f)*(a+b+c))-f²)+b*d/2

  • Добавить свой ответ

Войти через Google

или

Забыли пароль?

У меня нет аккаунта, я хочу Зарегистрироваться

How much to ban the user?
1 hour 1 day 100 years