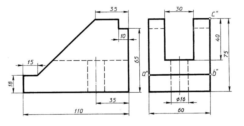
• По заданным видам постройте третий вид детали.Выделите цветными карандашами проекции наклонной грани. Найдите на всех видах проекции ребра АВ и вершины С

    question img

Ответы 1

  • ++++++++++++++++++++++++++++++++++++
    answer img
  • Добавить свой ответ

Войти через Google

или

Забыли пароль?

У меня нет аккаунта, я хочу Зарегистрироваться

How much to ban the user?
1 hour 1 day 100 years