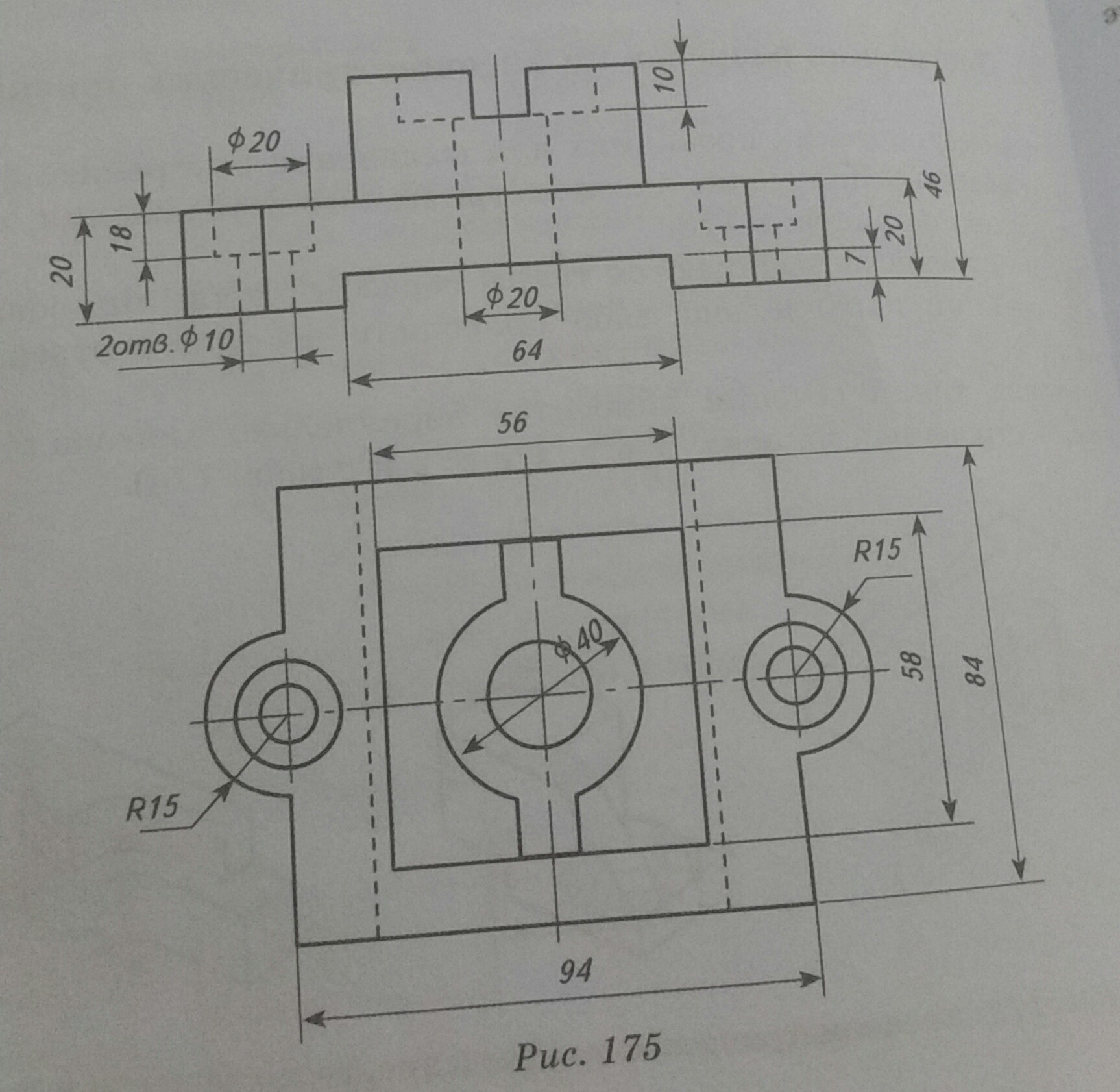
• По чертежу выполните соединение вида и разреза
    Пожалуйста

    question img

Ответы 1

  • ++++++++++++++++++++++++++++++++++++++++
    answer img
    • Автор:

      sunnymhzq
    • 6 лет назад
    • 0
  • Добавить свой ответ

Войти через Google

или

Забыли пароль?

У меня нет аккаунта, я хочу Зарегистрироваться

How much to ban the user?
1 hour 1 day 100 years