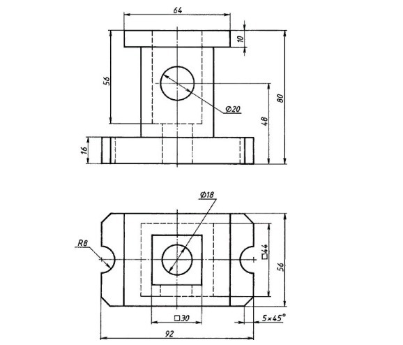
• Выполните необходимые разрезы на чертеже опоры и её изометрическую проекцию с вырезом.

    question img

Ответы 1

  • Чертеж и изометрическая проекция с вырезом показана на рисунке.
    answer img
    • Автор:

      cubbyaiuc
    • 6 лет назад
    • 0
  • Добавить свой ответ

Войти через Google

или

Забыли пароль?

У меня нет аккаунта, я хочу Зарегистрироваться

How much to ban the user?
1 hour 1 day 100 years