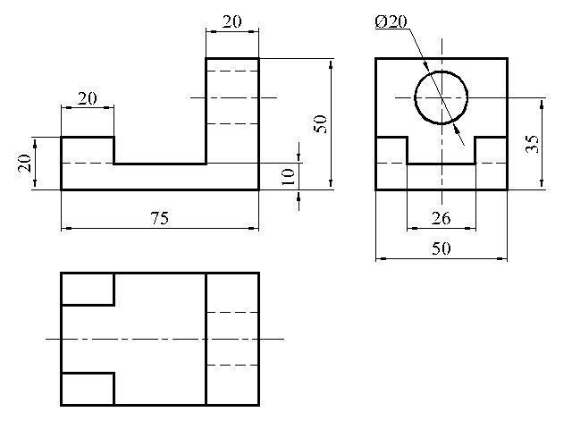
• ЧЕРЧЕНИЕ даю 30 баллов, срочно!! Начертите третий вид детали исходя из данного чертежа. (с разметкой, в мм)

    question img

Ответы 1

  • ++++++++++++++++++++++++++++++++++++

    answer img
    answer img
    answer img
    answer img
    • Автор:

      isaacjgvt
    • 2 года назад
    • 13
  • Добавить свой ответ

Еще вопросы

Войти через Google

или

Забыли пароль?

У меня нет аккаунта, я хочу Зарегистрироваться

How much to ban the user?
1 hour 1 day 100 years