Предмет:
Другие предметыАвтор:
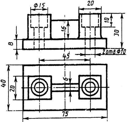
shylazirwФронтальная проекция (вид спереди) выполнена с вырезом 1/4 детали - этого достаточно, т.к. деталь симметричная.
Автор:
casonfrancoДобавить свой ответ
Предмет:
ОБЖАвтор:
constancioqqymОтветов:
Смотреть
Предмет:
Русский языкАвтор:
rumplestiltskinfns2Ответов:
Смотреть
Предмет:
ИсторияАвтор:
dominicrussellОтветов:
Смотреть
Предмет:
АлгебраАвтор:
ashtonxmyvОтветов:
Смотреть