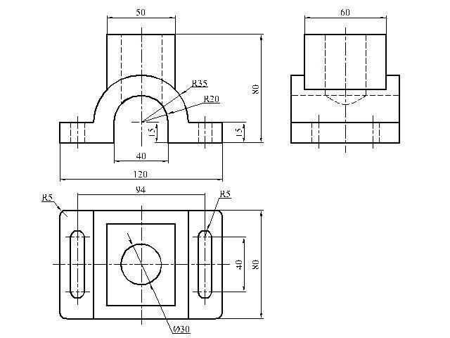
• Помогите построить разрез на чертежееееееееееее

    question img

Ответы 1

  • Сделала вырез 1/4 детали на главном виде.

    answer img
    • Автор:

      brutus
    • 6 лет назад
    • 0
  • Добавить свой ответ

Войти через Google

или

Забыли пароль?

У меня нет аккаунта, я хочу Зарегистрироваться

How much to ban the user?
1 hour 1 day 100 years