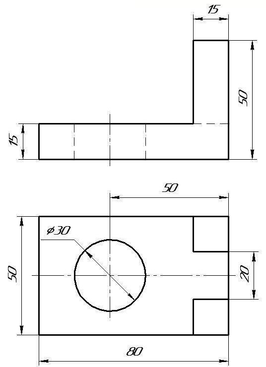
• Постройте третий вид детали по двум данным . на чертеже проставьте размеры Угольник Сталь

    question img

Ответы 1

  • ++++++++++++++++++++++++++++

    answer img
  • Добавить свой ответ

Войти через Google

или

Забыли пароль?

У меня нет аккаунта, я хочу Зарегистрироваться

How much to ban the user?
1 hour 1 day 100 years