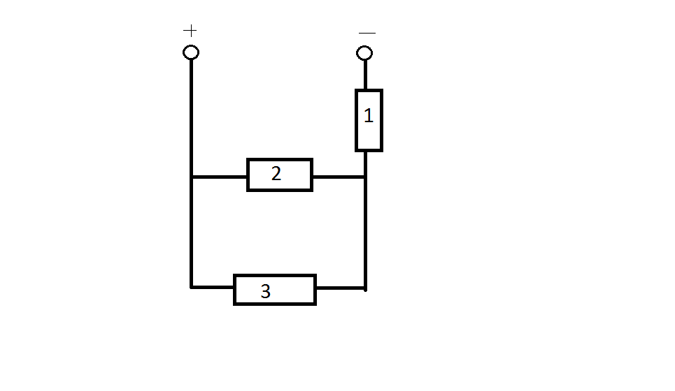
• Напряжение на участке цепи, схема которого показана на рисунке, равно 48 В. Определите силу тока в резисторе 1 и мощность тока в резисторе 2, если сопротив
    ления резисторов R1= 260 Ом, R2= 90 Ом, R3= 180 Ом

    question img

Ответы 4

  • а решать то как?
  • Дано: РешениеИ=48 В РисунокR1= 260 Om U=u1+U2+U3 R2=90 Om U1=U:N I=U1:R1(Деление с помощью черты дроби)R3=180 Om P=U2:R2I-? P-?
  • Дано: РешениеИ=48 В РисунокR1= 260 Om U=u1+U2+U3 R2=90 Om U1=U:N, I=U1:R1(Деление с помощью черты дроби)R3=180 Om P=U2:R2I-? I=U1:R1P-? U1=48:3=16 I=16:260=16 P= 16 2 : 90= 2,8
    • Автор:

      jeffrey
    • 6 лет назад
    • 0
  • Я точно не уверена(мы такие задачи только на факах решали), но I=0,06(А)P=2,8(вт)
    • Автор:

      kidoz88
    • 6 лет назад
    • 0
  • Добавить свой ответ

Войти через Google

или

Забыли пароль?

У меня нет аккаунта, я хочу Зарегистрироваться

How much to ban the user?
1 hour 1 day 100 years