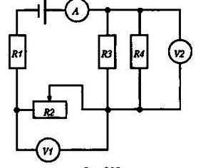
• Определить показания всех приборов, если движок реостата находится в крайне правом положении (рис. 205). Как изменятся показания приборов, если движок реостата перемещать влево? ЭДС = 12,4 В; r = 0,2 Ом; R1 = 2,9 Ом; R2 = 1,6 Ом; R3 = 6 Ом; R4 = 2 Ом.

    question img

Ответы 1

  • 1) реостат в правом положенииE=12.4 Вr=0.2 ОмR₁=2.9 ОмR₂=1.6 ОмR₃=6 ОмR₄=2 ОмR₃,₄=(6*2)/(6+2)=1.5 ОмRобщ=0,2+2,9+1,6+1,5=6,2 ОмI=12.4/6.2=2 АU₁=R₂*I=1.6*2=3.2 ВU₂=R₃,₄*I=1.5*2=3 В2) реостат в левом положенииE=12.4 Вr=0.2 ОмR₁=2.9 ОмR₂=0 ОмR₃=6 ОмR₄=2 ОмR₃,₄=(6*2)/(6+2)=1.5 ОмRобщ=0,2+2,9+0+1,5=4,6 ОмI=12.4/4,6=2,7 АU₁=R₂*I=0*2=0 ВU₂=R₃,₄*I=1.5*2,7=4,04 ВЕсли реостат сместится влевоТок увеличитсяНапряжение U₁ упадет до 0Напряжение U₂ увеличится.
  • Добавить свой ответ

Еще вопросы

Войти через Google

или

Забыли пароль?

У меня нет аккаунта, я хочу Зарегистрироваться

How much to ban the user?
1 hour 1 day 100 years