• ДАЮ 20 БАЛЛОВ!! ПОМОГИТЕ ПОЖАЛУЙСТА!!
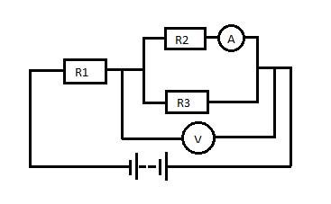
    На рисунке изображена схема электрической цепи. Показания амперметра 1 А, показание вольтметра 6 В, R1=2 Ом, R2=6 Ом, R3= 3 Ом. Чему равна сила тока, протекающая через сопротивление R1?

    question img

Ответы 1

  • Во вложении............................
    answer img
  • Добавить свой ответ

Еще вопросы

Войти через Google

или

Забыли пароль?

У меня нет аккаунта, я хочу Зарегистрироваться

How much to ban the user?
1 hour 1 day 100 years