• Помогите определить ток в каждом резисторе

    Дано:
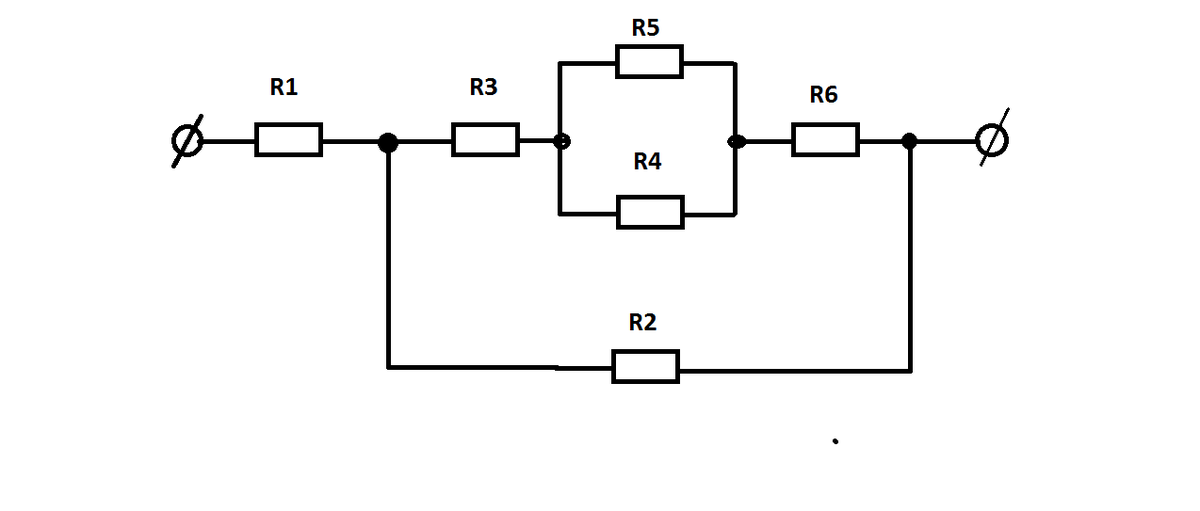
    R1=4 ОМ, R2=10 Ом, R3=4 Ом, R4=15 Ом, R5=10 Ом, R6=5 Ом, I4=4 A

    P.S Rэкв посчитал, осталось только это
    Помогите Очень Прошу!!! Срочно надо!!!!
    Даю 20 баллов

    question img

Ответы 1

  • U45=I4*R4=4*15=60 B

    I5=U45/R5=6 A

    I3=I6=I4+I5=10 A

    R45=15*10/(15+10)=6 Ом

    R3456=4+6+5=15 Ом

    U2=I3*R3456=10*15=150B

    I2=U2/R2=150/10=15 A

    I1=I2+I3=10+15=25 A

    ===============

  • Добавить свой ответ

Войти через Google

или

Забыли пароль?

У меня нет аккаунта, я хочу Зарегистрироваться

How much to ban the user?
1 hour 1 day 100 years