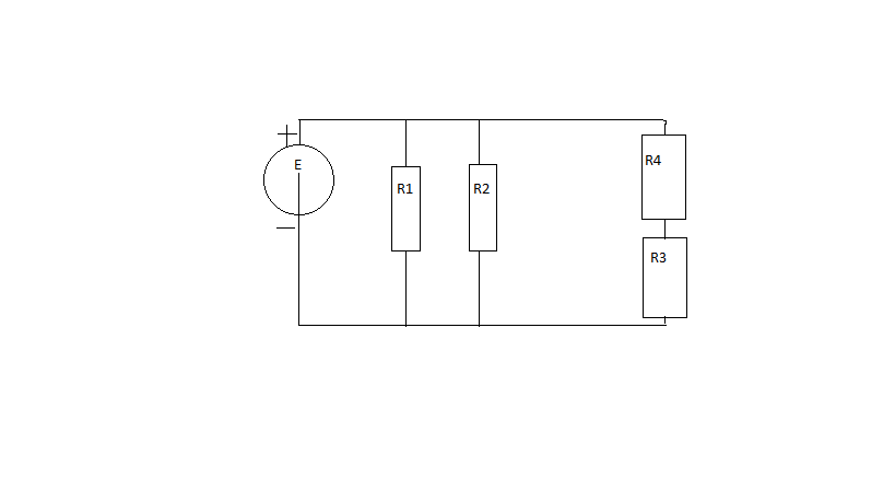
• E=15В
    R1=25 Ом
    R2=50 Ом
    R3=40 Ом
    R4=60 Ом
    Найти Roбщ. и все токи

    question img

Ответы 2

  • Rо так но делали такое же задание и там ток находили по формуле Ома но для участка цепи.
    • Автор:

      callum
    • 6 лет назад
    • 0
  • По данным которые есть, можно найти только силу тока короткого замыкания, она равна ЭДС поделить на сопротивление.
    • Автор:

      peaches
    • 6 лет назад
    • 0
  • Добавить свой ответ

Войти через Google

или

Забыли пароль?

У меня нет аккаунта, я хочу Зарегистрироваться

How much to ban the user?
1 hour 1 day 100 years