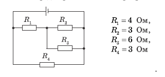
• Найдите общую силу тока в цепи (див.рисунок), если ЭДС источника 12 В, внутреннее сопротивление источника 1 Ом. Сопротивления резисторов указано рядом с рисунком.

    question img

Ответы 2

  • там R 123 или R1,2,3?
    • Автор:

      holmes
    • 6 лет назад
    • 0
  • R1=4   R2=3    R3=6    R4=3   E=12   r=1   Io=?

    R23=R2*R3/(R2+R3)=3*6/(3+6)=2 Ом

    R123=R1+R23=4+2=6 Ом

    Ro=R4*R123/(R4+R123)=3*6/(3+6)=2 Ом

    Io=E/(Ro+r)=12/(2+1)=4 A

    ================

    • Автор:

      kadendukw
    • 6 лет назад
    • 0
  • Добавить свой ответ

Войти через Google

или

Забыли пароль?

У меня нет аккаунта, я хочу Зарегистрироваться

How much to ban the user?
1 hour 1 day 100 years