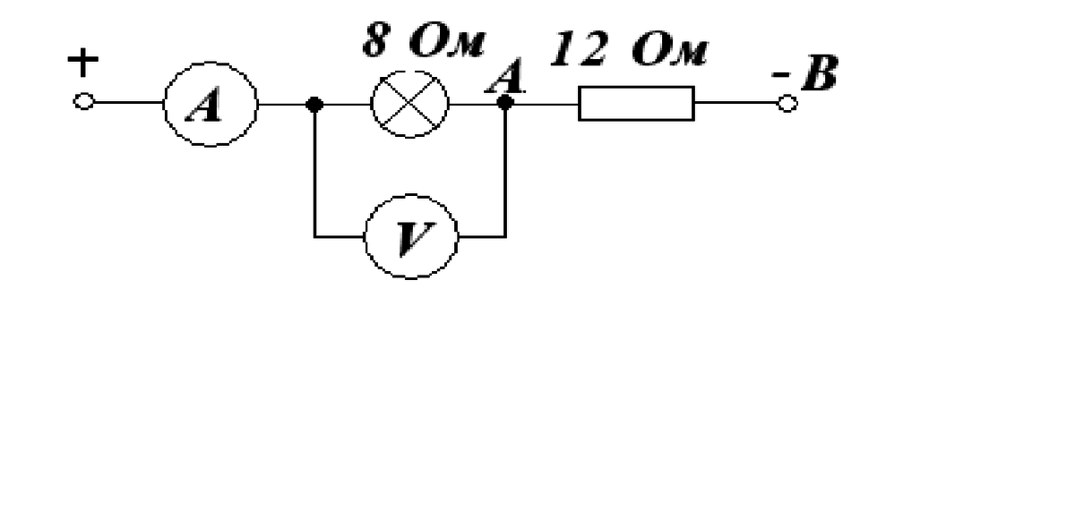
• Вольтметр, подключенный к лампочке, показывает напряжение 4В (рис.6). Определите показания амперметра и напряжение на концах участка цепи АВ.

    question img

Ответы 1

  • I=U÷R=4÷8=0,5AU (AB)=I×R=0,5×12=6B
    • Автор:

      jamie34
    • 6 лет назад
    • 0
  • Добавить свой ответ

Войти через Google

или

Забыли пароль?

У меня нет аккаунта, я хочу Зарегистрироваться

How much to ban the user?
1 hour 1 day 100 years