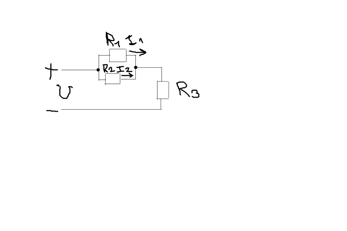
• Определить токи
    i,i1,i2, если U=120 В,
    R1=120 Ом,
    R2=60 Ом,
    R3=40 Ом.

    question img

Ответы 1

  • Полное сопротивление участка цепи R=R12+R3=R1*R2/(R1+R2) +R3=120*60/180+40=80 ОмI=U/R=120 В/80 Ом=1,5 АНапряжение на 3 резисторе U3= I*R3=1,5*40= 60 ВНа участке с параллельно соединенными резисторами напряжение будет: U12=120-60=60 ВТоки на 1 и 2 резисторах распределятся: I1R1=I2R2I1/I2=R2/R1=2/1 Через первый резистор пойдет I=1 А, через второй I=0,5 А
    • Автор:

      miasy
    • 6 лет назад
    • 0
  • Добавить свой ответ

Войти через Google

или

Забыли пароль?

У меня нет аккаунта, я хочу Зарегистрироваться

How much to ban the user?
1 hour 1 day 100 years