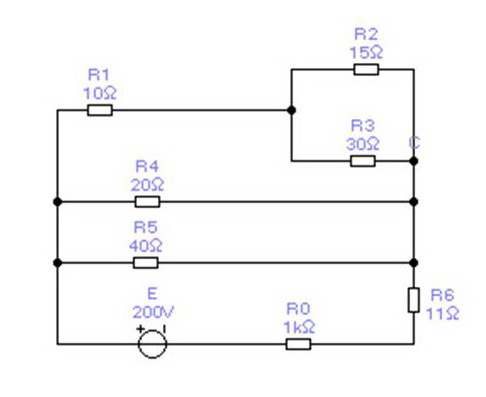
• Помогите! Даю 55 б. В цепи со смешанным соединением сопротивлений (рисунок 9)
    E=200 B , R1=10 Ом, R2=15 Ом, R3=30 Ом, R4=20 Ом, R5=40 Ом, R6=11 Ом, I6=10 A.
    Вычислить токи, напряжения и мощности каждого участка и всей цепи, Определить внутреннее сопротивление Ro э.д.с. Составить баланс мощностей.

    question img

Ответы 1

  • Нууу задача сложная, не уверен, что дам правильный ответ, но попытаюсьВроде все решать нужно по формуле Y=U/RЕсли Сначала найди общее сопротивление ДЛя R3 R2Найди так все участки и пол задачи считай уже решено
  • Добавить свой ответ

Войти через Google

или

Забыли пароль?

У меня нет аккаунта, я хочу Зарегистрироваться

How much to ban the user?
1 hour 1 day 100 years