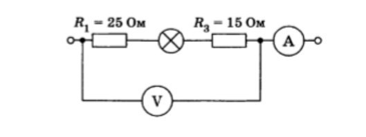
• Определите сопротивление лампы и напряжение на каждом проводнике (рис. 117), если показания приборов 0,5 А и 30 В.Пожалуйста помогите. Нужно дано и решение.

    question img

Ответы 2

  • Спасибо!!!
  • Пожалуйста
    • Автор:

      braniac
    • 6 лет назад
    • 0
  • Добавить свой ответ

Войти через Google

или

Забыли пароль?

У меня нет аккаунта, я хочу Зарегистрироваться

How much to ban the user?
1 hour 1 day 100 years