• помогите пожалуйста!!!

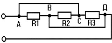
    Определите силу тока, текущего через каждый резистор в цепи, схема которой изображена на рисунке, если напряжение на зажимах 6 В, а сопротивление резисторов R1=R2=R3=6 Ом.

    question img

Ответы 1

  • Для R1 к точке А приложен один полюс источника к точке В приложен втоой полюс. Значит R1 под напряжением 6 B.Для R2 к ьлчке С приложен верхний полюс к точке Д нижний полюс значит R2 под напряжением 6 В.Для R3 к точке С приложен верхний полюс к точке Д нижний. Значит R3 под напряжением 6 В.Итого каждый резистор по напряжением 6 В. I=U/R=6/6=1 A.Ответ: через каждый резистор течёт ток 1 А.
    • Автор:

      fifir2qf
    • 2 года назад
    • 8
  • Добавить свой ответ

Войти через Google

или

Забыли пароль?

У меня нет аккаунта, я хочу Зарегистрироваться

How much to ban the user?
1 hour 1 day 100 years