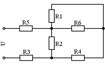
• Опоределите токи в каждом резисторе, если R1=20 Ом; R2=18 Ом; R3=1,5 Ом; R4=2 Ом; R5=3 Ом; R6=5 Ом; U=180 В.

    question img

Ответы 1

  • i1=U/R1=180/20=9 Аi2=U/R2=180/18=10 Аi3=U/R3=180/1,5=120 Аi4=U/R4=180/2=90 Аi5=U/R5=180/3=60 Аi6=U/R6=180/5=36 А
  • Добавить свой ответ

Войти через Google

или

Забыли пароль?

У меня нет аккаунта, я хочу Зарегистрироваться

How much to ban the user?
1 hour 1 day 100 years