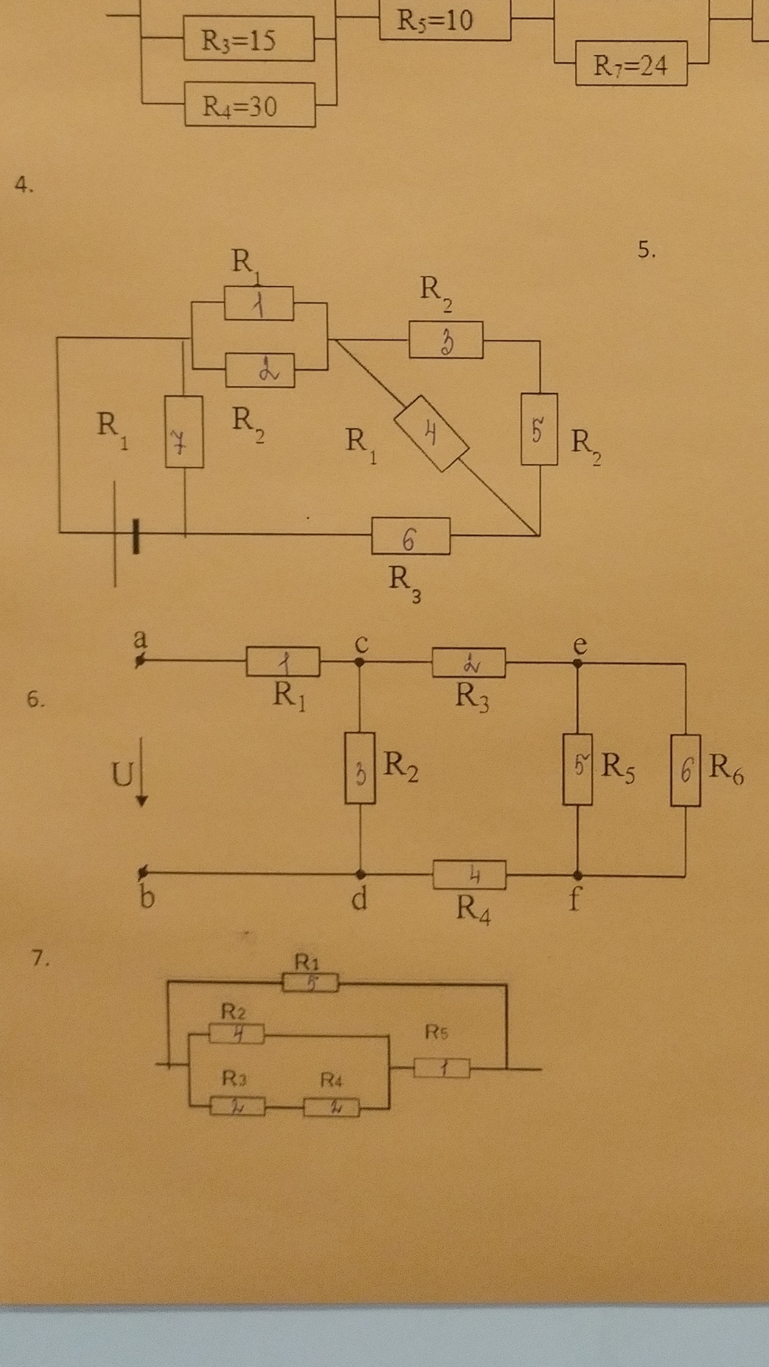
• Рассчитать общее сопротивление цепи и распределить токи и напряжения в проводниках U=120В.
    Это номер 6! Плизз срочно!!!

    question img

Ответы 2

  • Спасибо большое
    • Автор:

      brock528
    • 6 лет назад
    • 0
  • r56=R5*R6/(R5+R6)=5*6/(6+5)=2.7 Омr3456=R3+R4+r56=2+4+2.7=8.7 Омr23456=r3456*R2/(r3456+R2)=8.7*3/8.7+3=2.2 Омобщее сопротивление цепиR=r23456+R1=2.2+1=3.2 ОмIr1=U/R=120/3.2=37.5AUr1=Ir1*R1=37.5*1=37.5VUr2=U-Ur1=120-37.5=82.5VIr2=Ur2/R2=82.5/3=27.5AIr3=Ir4=Ir1-Ir2=37.5-27.5=10AUr3=Ir3*R3=10*2=20VUr4=Ir4*R4=10*4=40VUr5=Ur6=Ur2-Ur3-Ur4=82.5-20-40=22.5VIr5=Ur5/R5=22.5/5=4.5AIr6=Ur6/R6=22.5/6=3.75A
    • Автор:

      sheldon
    • 6 лет назад
    • 0
  • Добавить свой ответ

Войти через Google

или

Забыли пароль?

У меня нет аккаунта, я хочу Зарегистрироваться

How much to ban the user?
1 hour 1 day 100 years