• Помогите, пожалуйста, что-нибудь из этого сделать

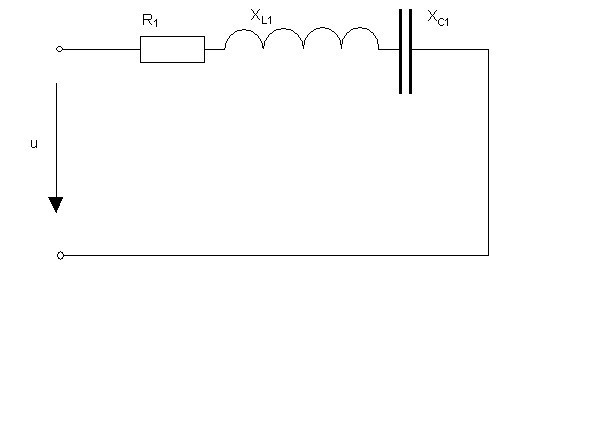
    Цепь переменного тока содержит различные элементы (резисторы, индуктивности, емкости) , включённые последовательно. Схема цепи приведена на рисунке.
    Начертить схему цепи и определить следующие величины, относящиеся к данной цепи, если они не заданы:
    1)Полное сопротивление Z;
    2)Напряжение U, приложенное к цепи;
    3)Ток I;
    4)Угол сдвига фаз φ (по величине и знаку) ;
    5)Активную P, реактивную Q и полную S мощности цепи.
    6)Начертить в масштабе векторную диаграмму цепи и пояснить ее построение.

    Указанные данные R1= 3 Om, XL1= 2 Om, XC1=6 Om, U=50 В

    question img

Ответы 1

  • измерения длины и складывания
  • Добавить свой ответ

Войти через Google

или

Забыли пароль?

У меня нет аккаунта, я хочу Зарегистрироваться

How much to ban the user?
1 hour 1 day 100 years