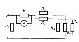
• Подскажите пожалуйста! На рисунке представлена электрическая схема. Вопрос следующий: R7 подключен ко второй ветке схемы последовательно или параллельно? Просто я считаю, что параллельно, но мой преподаватель говорит обратное

    question img

Ответы 3

  • Для хорошиста не хорошо в ответ комментарии совать.
  • согласен, полностью справедливо, можете удалить комент, я даже настаиваю.
  • Если вопрос только в этом, то, конечно, R7 подключен параллельно.Можно так пояснить преподавателю: представим, что сопротивление R7 равно бесконечности. Если бы R7 хоть какому-то резистору Ri был бы последователен, то ток бы через этот резистор Ri не пошёл, но по схеме чётко видно и понятно, что в этом случае ток не пойдёт только через R7, а через все остальные резисторы пойдёт, и в итоге от одной клеммы дойдёт до другой.
  • Добавить свой ответ

Войти через Google

или

Забыли пароль?

У меня нет аккаунта, я хочу Зарегистрироваться

How much to ban the user?
1 hour 1 day 100 years