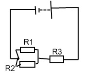
К источнику ЭДС 4.5 В и внутренним сопротивлением 1.5 Ом присоединена цепь,изображенная на рисунке. Чему равна сила тока в неразветленной части цепи, если R1=R2=10 Ом, R3=2.5 Ом?
Автор:
bethanyg1oiДобавить свой ответ
Предмет:
ИнформатикаАвтор:
georgiezshoОтветов:
Смотреть
Допоможіть написати казку про казкових персонажів лялькового театру, які танцювали під звуки флейти, яку потім викрала Баб Яга.
Предмет:
Українська літератураАвтор:
danteguerreroОтветов:
Смотреть
Предмет:
АлгебраАвтор:
simeóndbr3Ответов:
Смотреть