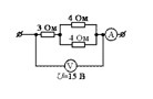
• 1. Каково сопротивление участка цепи, изображенного на рисунке 69, если все резисторы имеют одинаковое сопротивление по 2 Ом? 2. В электрическую цепь включены параллельно друг другу сопротивления 2 Ом и 3 Ом. По меньшему из них течет ток 6 А. Какой ток течет по большему сопротивлению? 3. Какую силу тока показывает амперметр?

    question img
    question img

Ответы 1

  • 1) Тут нет всего условия, должен протикать ток ( к примеру если 4 А, то по формуле равно 8 В ) 2) 5 Ом.3) 3 А
    • Автор:

      louiebwdj
    • 6 лет назад
    • 0
  • Добавить свой ответ

Войти через Google

или

Забыли пароль?

У меня нет аккаунта, я хочу Зарегистрироваться

How much to ban the user?
1 hour 1 day 100 years