• Кто быстро сделает задание тому 50 балов

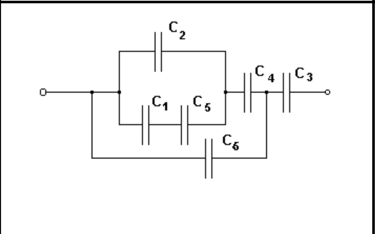
    Определить эквивалентную емкость батареи конденсаторов
    Произведите необходимые действия по упрощению схемы

    question img

Ответы 6

  • да
    • Автор:

      aldoqron
    • 6 лет назад
    • 0
  • Я дэшику говорю ххахахах
    • Автор:

      coal
    • 6 лет назад
    • 0
  • Да
    • Автор:

      casemaoc
    • 6 лет назад
    • 0
  • Когда конденсаторы стоят последовательно, то 1/C0 = 1/C1 + 1/C2, а когда параллельно, то C0=C1+C2
    • Автор:

      patrick87
    • 6 лет назад
    • 0
  • Спасибо
  • (((((C1C5/(C1+C5))+C2)C4/(((C1C5/(C1+C5))+C2)+C4))+C6)C3)/((((((C1C5/(C1+C5))+C2)C4/(((C1C5/(C1+C5))+C2)+C4))+C6)+C3)
  • Добавить свой ответ

Еще вопросы

Войти через Google

или

Забыли пароль?

У меня нет аккаунта, я хочу Зарегистрироваться

How much to ban the user?
1 hour 1 day 100 years