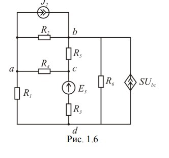
• Какое будет уравнение по 1 закону Кирхгофа для узла b?

    question img

Ответы 6

  • Я не понял, что такое ИТУН...
    • Автор:

      jackygf4
    • 6 лет назад
    • 0
  • Но все равно: в уравнении Кирхгофа должно быть ЧЕТЫРЕ слагаемых...
  • источник тока, управляемый напряжением (ИТУН)
  • Как сложно стало... Когда я учился в начале 70-х годов прошлого века мы о такой штуке и не слышали... :(((
    • Автор:

      isidro
    • 6 лет назад
    • 0
  • У меня есть пример с ним, но схема другая.
  • В узел b входят или выходят из него 4 тока:1) ток источника2) ток, текущий через R₂3) ток, текущий через R₅4) ток, текущий через R₆ и SU. Условно обозначим его через R₆suЗакон Кирхгофа:J₂+ I₂ + I₅ + I₆su = 0
    • Автор:

      joaquín7
    • 6 лет назад
    • 0
  • Добавить свой ответ

Войти через Google

или

Забыли пароль?

У меня нет аккаунта, я хочу Зарегистрироваться

How much to ban the user?
1 hour 1 day 100 years