• Помогите решить
    Дано:
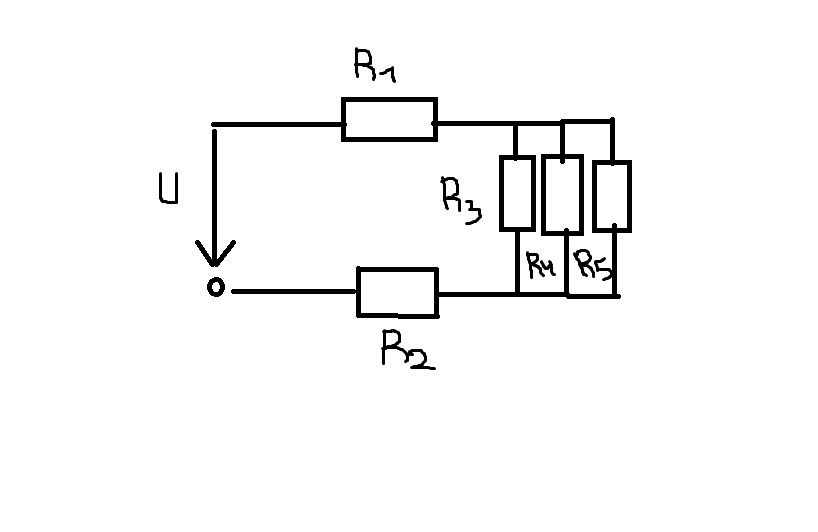
    U=60 B
    R1=2 Ом
    R2=4 Ом
    R3 10 Ом
    R4=12 Ом
    R5=15 Ом
    Rэкв,ток-?

    question img

Ответы 1

  • Резисторы R3,R4,R5 соединены параллельно, их общее сопротивление равно

    1/(1/10+1/12+1/15) = 4 Ом

    Теперь резисторы R1,R2 и сборка соединены последовательно.

    Значит их сопротивление суммируется и равно 2+4+4 = 10 Ом.

    Rэкв = 10 Ом.

    Ток равен I = U/R = 60/10 = 6 А

    I = 6A

    • Автор:

      punkin
    • 6 лет назад
    • 0
  • Добавить свой ответ

Войти через Google

или

Забыли пароль?

У меня нет аккаунта, я хочу Зарегистрироваться

How much to ban the user?
1 hour 1 day 100 years