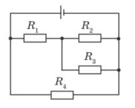
• Найдите общую силу тока в цепи (см. рисунок), если ЭДС источника 12 В, внутреннее сопротивление источника 1 Ом. Сопротивления резисторов R₁ = 4 Ом, R₂ = 3 Ом; R₃ = 6 Ом; R₄ = 3 Ом.

    question img

Ответы 2

  • Спасибо, ура, я правильно решил!
  • R23=3*6/ 3+6=2 ОмR1 23=4+2=6 ОмRобщ=6*3/ 3+6= 2 ОмRобщ ист=1+2=3 ОмI=U/R=12/3=4 АОтвет: 4 А
  • Добавить свой ответ

Войти через Google

или

Забыли пароль?

У меня нет аккаунта, я хочу Зарегистрироваться

How much to ban the user?
1 hour 1 day 100 years