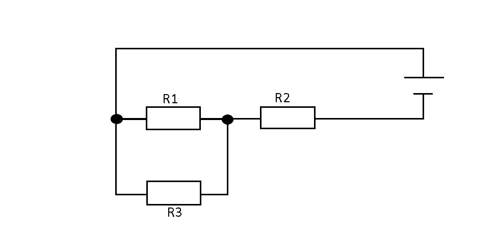
• Найдите силу тока в каждом резисторе если R1 = 2 Ом, R2 = 4 Ом, R3 = 6 Ом . ЭДС ( Электродвижущая сила ) источника тока - 6 В , внутреннее сопротивление - 0.5 Ом

    question img

Ответы 1

  • Резисторы R1 и R3 соединены параллельно.

    1/(R1-3) = (1/2) + (1/6) = 4/3 = 2/3.

    Отсюда R1-3 = 3/2 = 1,5 Ом.

    Сопротивление внешней цепи R = R1-3 + R4 = 1.5 + 4 = 5.5 Ом.

    Ток в цепи I = E/(R + r) = 6/(5.5 + 0.5) = 6/6 = 1 A. Это ток через R4.

    Напряжение на участке 1-3 равно 1,5*1 = 1,5 В.

    Ток через R1 равен: I = U/R1 =  1,5/2 = 0,75 А.

    Ток через R3 равен 1,5/6 = 0,25 А.

    • Автор:

      aleahxkpo
    • 6 лет назад
    • 0
  • Добавить свой ответ

Еще вопросы

Войти через Google

или

Забыли пароль?

У меня нет аккаунта, я хочу Зарегистрироваться

How much to ban the user?
1 hour 1 day 100 years