• сколько здесь узлов и ветвей? где находятся узлы? спасибо за ответ

    question img

Ответы 3

  • а в общем ветвей сколько?
    • Автор:

      bram
    • 6 лет назад
    • 0
  • Три
    • Автор:

      genesis
    • 6 лет назад
    • 0
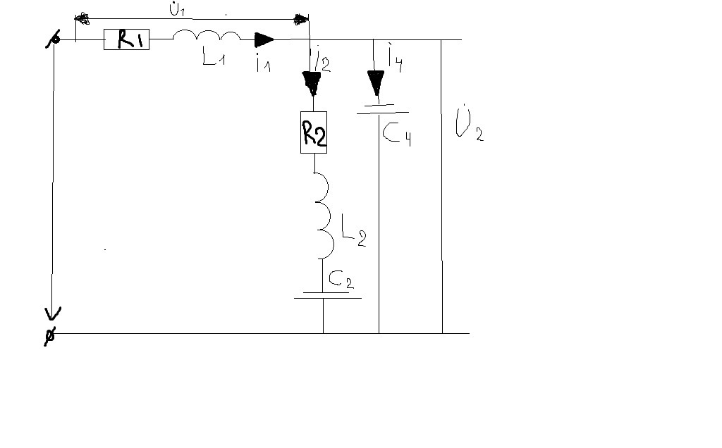
  • Два узла А и В

    Ветвей три

    К узлу А одна ветвь, и него 2 ветви.

    В узел В подходят 2 ветви, выходит одна.

    =================

    answer img
  • Добавить свой ответ

Войти через Google

или

Забыли пароль?

У меня нет аккаунта, я хочу Зарегистрироваться

How much to ban the user?
1 hour 1 day 100 years