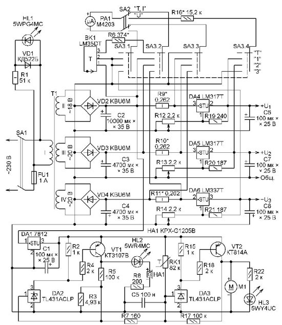
• Сделайте пожалуйста структурную схему из этой электрической принципиальной. 30 баллов даю

    question img

Ответы 1

  • Структурная схема наименее детализирована. Её элементарные звенья отображаются прямоугольниками, а связи между ними сплошными линиями со стрелками. Структ.схема отображает общую структуру устройстваЮте.осн.блоки, части и связи между ними.

    Измерительный прибор с переключателем можно нарисовать в структ.схеме.

    https://ru-static.z-dn.net/files/df1/a2ef9ab1bf0921898f3d939f5f7e607b.jpg

    answer img
    • Автор:

      annie1ndo
    • 6 лет назад
    • 0
  • Добавить свой ответ

Войти через Google

или

Забыли пароль?

У меня нет аккаунта, я хочу Зарегистрироваться

How much to ban the user?
1 hour 1 day 100 years