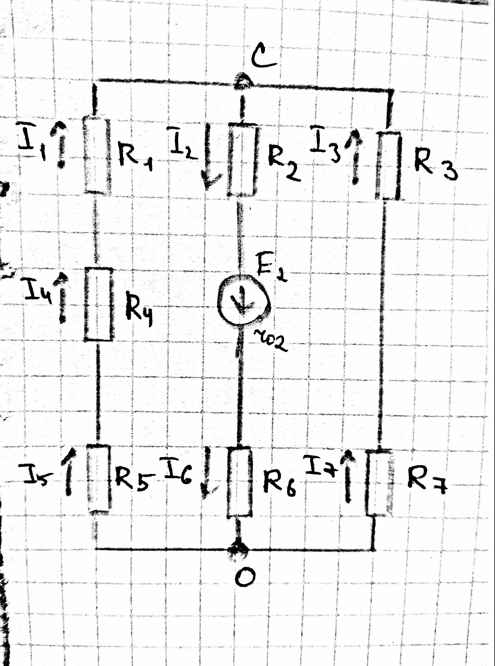
• Найти все токи в ветвях схемы.
    Метод свёртывания.
    R1 = 1 Ом
    R2 = 2 Ом
    R3 = 3 Ом
    R4 = 4 Ом
    R5 = 5 Ом
    R6 = 6 Ом
    R7 = 7 Ом
    r02 = 3 Ом
    E2 = 30 Ом

    question img

Ответы 1

  • Согласно Ому и Кирхгофу, U=I*R,последовательно R145=10 Ом, R37=3+7=10 Ом, между собой они параллельно и равны: R145||R37=10/2=5 Ом, Rобщ=5+2+6+3=16 Ом, ток I2=I6=30/16 =1.875 A, напряжение Uco=30-1.875*(2+6+3)=9.375 В, токи I1=I4=I5=9.375/ 10=≈0.94 A, I3=I7=9.375/10≈0.94 A, I2≈1.88 A -ответ
  • Добавить свой ответ

Еще вопросы

Войти через Google

или

Забыли пароль?

У меня нет аккаунта, я хочу Зарегистрироваться

How much to ban the user?
1 hour 1 day 100 years