Предмет:
ФизикаАвтор:
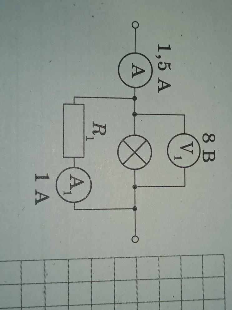
demarionarellanoОтвет:
Rл=16 Ом
Объяснение:
Iл=I-I₁=1,5-1=0,5 A
Rл=U₁/Iл=8/0,5=16 Ом
Автор:
ameliawrightДобавить свой ответ
Предмет:
МатематикаАвтор:
kameront5ueОтветов:
Смотреть
Предмет:
Українська моваАвтор:
sox71mpОтветов:
Смотреть
Предмет:
ЛитератураАвтор:
kristina99Ответов:
Смотреть
Предмет:
Другие предметыАвтор:
rylanul49Ответов:
Смотреть