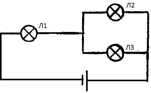
• Три лампы с маркировкой Л1 (3 В, 3 Ом) , Л2 (2 В, 1 А) и Л3(3 В, 4,5 Вт) соединены по схеме на рисунке. Какое количество теплоты выделится на лампе Л3 за 1 минуту? Считать,что сопротивление ламп не зависит от температуры. 

    question img

Ответы 1

  • Л1 (3 В, 3 Ом) R1=3 ОмЛ2 (2 В, 1 А) R2=U/I = 2/1=2 Ом Л3(3 В, 4,5 Вт) R3 = U^2/P=3^2/4,5 = 2 ОмR23 = R2*R3/(R2+R3) = 2*2/(2+2) Ом = 1 Омполное сопротивление цепиR=R123 = R1+R23= 4 ОмI = U/R = 10/4=2,5 Анапряжение на R3U3=I*R23 = 2,5*1 = 2,5 Вмощность P3 = U3^2/R3 = 2,5^2/2=6,25/2=3,125 Втэнергия Q3=t*P3=60*3,125 = 187,5 Дж
  • Добавить свой ответ

Еще вопросы

Войти через Google

или

Забыли пароль?

У меня нет аккаунта, я хочу Зарегистрироваться

How much to ban the user?
1 hour 1 day 100 years