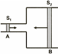
• Горизонтально расположена наполненная водой труба имеет в широкой своей части площадь поперечного сечения 1дм2, а в более узкой - 10см2. Какой силой надо действовать на поршень А, чтобы уравновесить силу 10 кН, что действует на поршень В?

    question img

Ответы 1

  • Дано   S2=1дм2=100 см2   S1=10 см2     F2=10 000 Н    F1 - ?по закону Паскаля   P1=P2F1/S1=F2/S2F1= S1*F2/S2=10* 10 000/100=1000 Н - ответ
  • Добавить свой ответ

Войти через Google

или

Забыли пароль?

У меня нет аккаунта, я хочу Зарегистрироваться

How much to ban the user?
1 hour 1 day 100 years