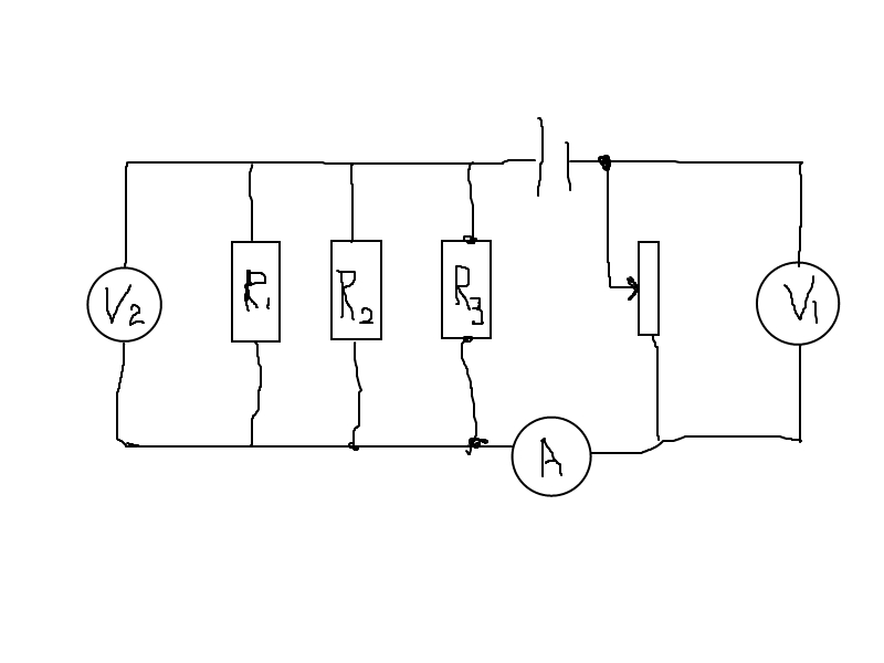
Определить показания всех приборов, если движок реостата находится на середине. ЭДС источника 9,5 [В], внутренне сопротивление 1,5 [Ом], R1=40 [Ом], R2=60 [Ом], R3=120 [Ом]. Как изменятся показания всех приборов при движении ползуна реостата снизу вверх. Сопротивление реостата 52 [Ом].
Пожалуйста, с подробным решением и объяснением.
Предмет:
ФизикаАвтор:
emiliobadeэдс=YR+Yr,
9.5в=Y52om + Y1,5om
Y=9.5/(52+1.5)~0.2A
U=YR
так как паралельное соединение, то 1/R=1/R1+1/R2+...+1/Rn
1/R=1/40+1/60+1/120=0.025+0.016+0.0083~0.05=5/100
R=100/5=20
U=0.2*20=4B
Y=0.2A U=4B
Автор:
cujosantosДобавить свой ответ
с одной станции одновремено в противоположных напровлениях вышли два поезда сколько одного из них 54 км часа скорость другогона 18 км/ч больше через сколько часов расстояние между ними будет равно 504 км?
Предмет:
МатематикаАвтор:
jace897Ответов:
Смотреть
Помогите сделать морфологический разбор "разбор как часть речи" слова провожу) Заранее спасибо Помогите!
Предмет:
Русский языкАвтор:
toribiogillОтветов:
Смотреть
1. Группа животных, к которым относится волк, медведь, сокол, филин. 2. Группа животных, к которым относятся: дятел, обезьяна, попугай, белка. 3. Группа животных, к которым относятся :кит, пингвин, тюлень, кайра.
Предмет:
Другие предметыАвтор:
bradyo9kiОтветов:
Смотреть
Произведите со словом листья все виды разборов: фонетический, морфемный, морфологический, орфографический.
Предмет:
Русский языкАвтор:
jasiahloweryОтветов:
Смотреть