• ПОМОГИТЕ ФИЗИКА !!
    Определить
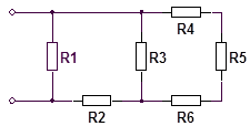
    общее сопротивление цепи R. .Найти
    напряжение на зажимах цепи U, токи во всех -резисторах и мощность Р,
    потребляемую цепью, если дано: R1 == 24 Ом; R2 = 7 Ом; R3
    = 14 Ом; R4=14 Ом; R5 = 34 Ом; R6 = 21 Ом; U2=18 В. Показать направление токов во
    всех ветвях цепи.





    question img

Ответы 6

  • оу о.о
  • так не понятно написано ?? это просто поп простому
    • Автор:

      atlasmtgc
    • 6 лет назад
    • 0
  • не все понятно)))
  • знаешь как решать ? Учитель типо сказал найти напряжение на R3456 и потом ...
    • Автор:

      superman
    • 6 лет назад
    • 0
  • Ммммда,я это в прошлом году решалаX))) ничего не помню,кроме формул:DD
    • Автор:

      montoya
    • 6 лет назад
    • 0
  • Ну 1 надо определить какое здесь соединение проводников))На рисунке получается присутствует как последовательное так и параллельное....При последовательном Rобщ=R1+R2+R3+...и тд/При параллельном 1/Rобщ= 1/R1+1/R2+1/R3+....А дальше я даже и не знаю:(( (такие задачи попадались,но не помню,как их решали)
  • Добавить свой ответ

Еще вопросы

Войти через Google

или

Забыли пароль?

У меня нет аккаунта, я хочу Зарегистрироваться

How much to ban the user?
1 hour 1 day 100 years