• какой алгоритм имеет завершение в целом и в каждом своем этапе Конечность – определяет завершение каждого действия в отдельности и алгоритма в целом за конечное число шагов.приведи пример в от к этом

Ответы 1

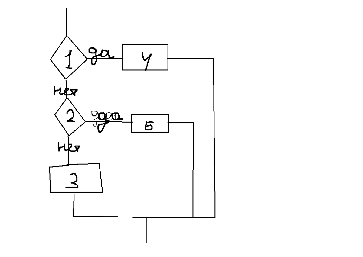
  • 1 условие2 условие3 действие 4 действие 5 действие ( Алгоритм If-elif-else)
    answer img
    • Автор:

      jewelosi8
    • 2 года назад
    • 4
  • Добавить свой ответ

Еще вопросы

Войти через Google

или

Забыли пароль?

У меня нет аккаунта, я хочу Зарегистрироваться

How much to ban the user?
1 hour 1 day 100 years