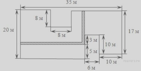
• На рисунке изображен план сада, вдоль периметра которого нужно вырыть канаву. Штриховой линией показана деревянная дорожка, которую нужно выложить, её ширина 0,5 .только ответ

    question img

Ответы 2

  • спасибо
    • Автор:

      rafael48
    • 6 лет назад
    • 0
  • 20+35+8+8+17+35+10+3+5=141 (м) - периметр сада и по совместительству длина внутреннего края канавыНо на рисунке есть неточность - 10 м нарисованы короче  чем 8 м(3+5). При исполнении такого плана на местности будут нестыковки
    • Автор:

      beef
    • 6 лет назад
    • 0
  • Добавить свой ответ

Еще вопросы

Войти через Google

или

Забыли пароль?

У меня нет аккаунта, я хочу Зарегистрироваться

How much to ban the user?
1 hour 1 day 100 years