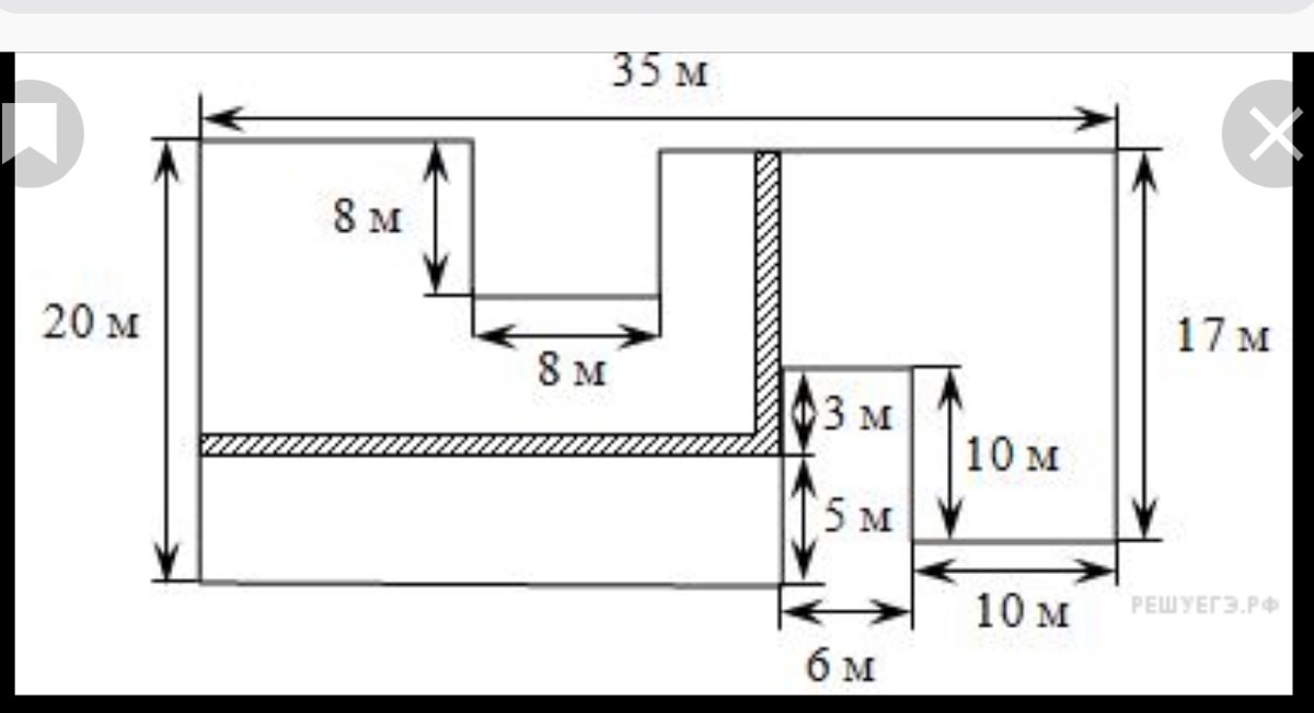
• на рисунке изображен план сада вдоль периметра которого нужно вырыть канаву . какова будет длина канавы ?

    question img

Ответы 1

  • длина канала 4 метра
    • Автор:

      ross6
    • 6 лет назад
    • 0
  • Добавить свой ответ

Войти через Google

или

Забыли пароль?

У меня нет аккаунта, я хочу Зарегистрироваться

How much to ban the user?
1 hour 1 day 100 years