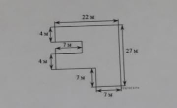
• На рисунке изображен план земельного участка. Найдите площадь этого участка.

    question img

Ответы 1

  • Ответ:

    1.22×27=594

    2.7×15=105

    3.8×12=96

    4.594-105-96=393

    Пошаговое объяснение:

    • Автор:

      cannon
    • 6 лет назад
    • 0
  • Добавить свой ответ

Еще вопросы

Войти через Google

или

Забыли пароль?

У меня нет аккаунта, я хочу Зарегистрироваться

How much to ban the user?
1 hour 1 day 100 years