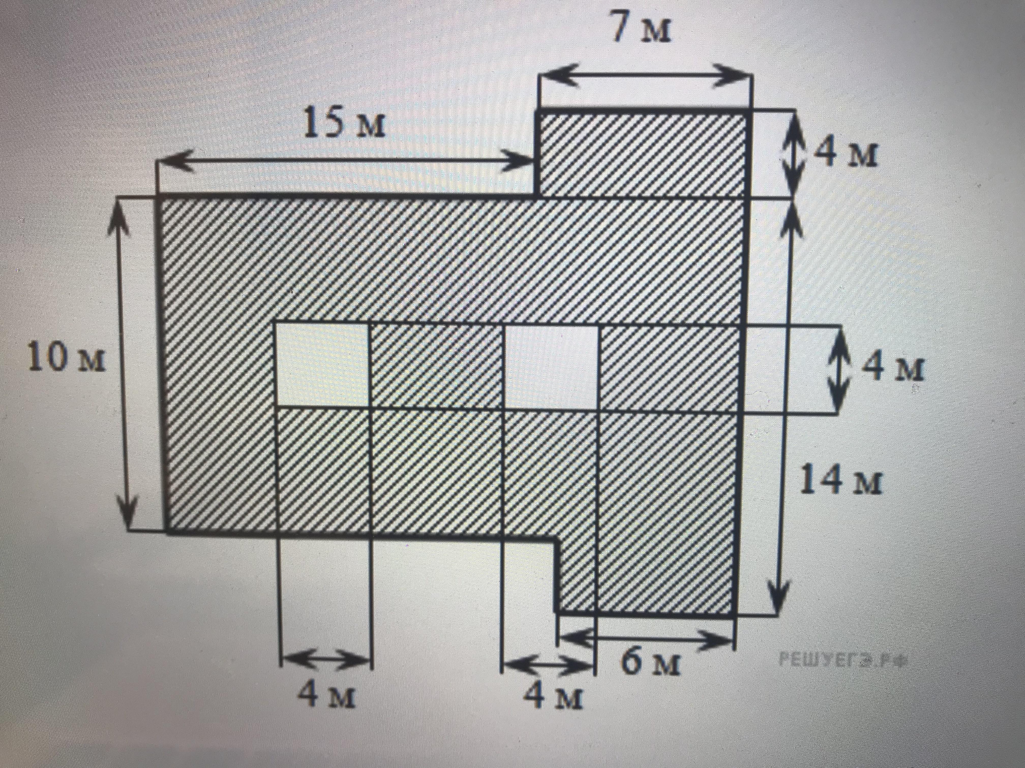
• На рисунке изображён план земельного участка.
    Найдите периметр земельного участка. Ответ дайте в метрах.

    question img

Ответы 3

  • спасибо очень помог с ВПР
    • Автор:

      marely
    • 6 лет назад
    • 0
  • (10+15+7+4+4+14+6+4+4)*2=136

  • 1)15+7=22(м)

    2)22+4=26(м)

    3)26+4=30(м)

    4)30+14=44(м)

    5)44+6=50(м)

    6)50+4=54(м)

    7)54+4=58(м)

    8)58+10=68(м)

    Ответ:68 метров равен периметр участка.

    • Автор:

      curry4ulk
    • 6 лет назад
    • 0
  • Добавить свой ответ

Войти через Google

или

Забыли пароль?

У меня нет аккаунта, я хочу Зарегистрироваться

How much to ban the user?
1 hour 1 day 100 years