• Рассчитайте общее сопротивление цепи. Пожалуйста. Срочно!

    question img

Ответы 2

  • Спасиииииибо <3
    • Автор:

      tootsz7rb
    • 6 лет назад
    • 0
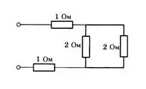
  • 2 параллельных сопротивления дают R1   1/R1=1/2+1/2=1R1= 1 Ом и последовательное соединение дает R=1+1+1=3 ом.
    • Автор:

      rylee98
    • 6 лет назад
    • 0
  • Добавить свой ответ

Войти через Google

или

Забыли пароль?

У меня нет аккаунта, я хочу Зарегистрироваться

How much to ban the user?
1 hour 1 day 100 years