• 100 баллов.
    Как найти общий ток, если ЭДС находится посередине схемы?

    question img

Ответы 2

  • спасибо большое!!!!)
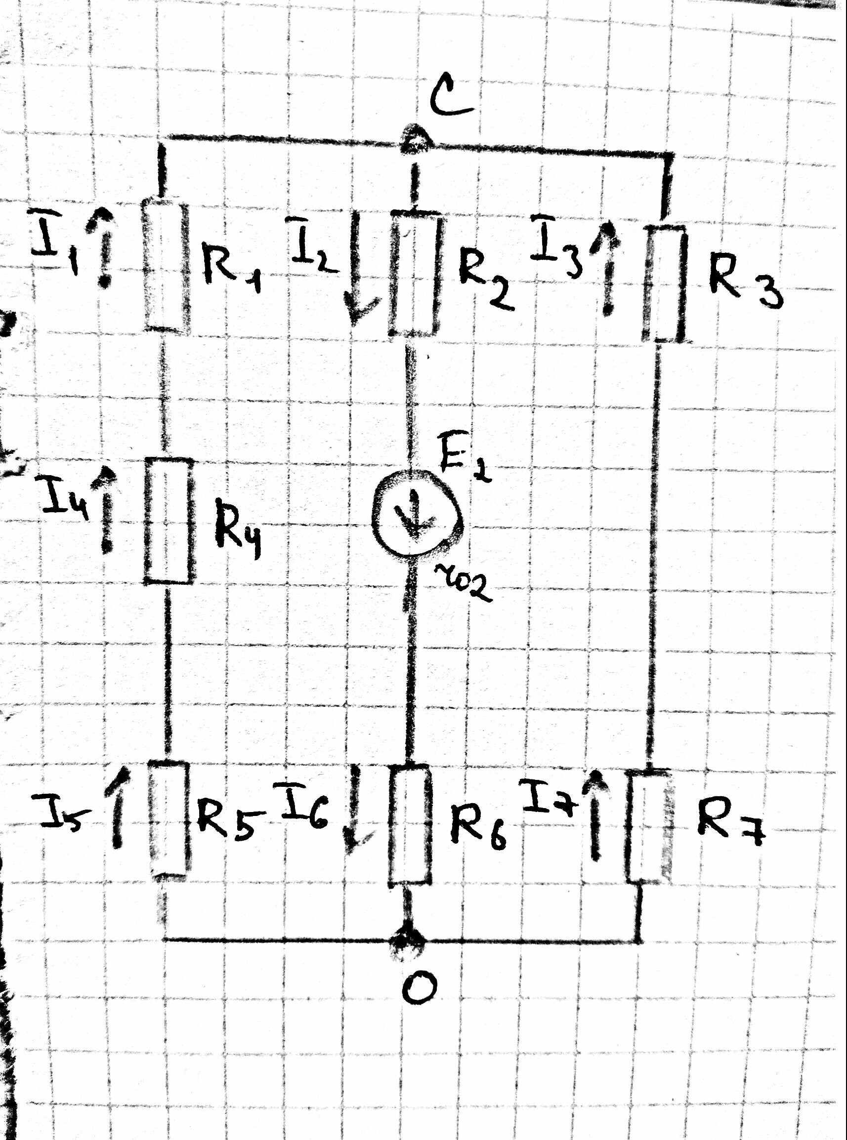
  • I1 = I4 = I5 = 0,937A

    I2 = I6 = 1,875

    I3 = I7 = 0,937 A

    answer img
    • Автор:

      andre88
    • 6 лет назад
    • 0
  • Добавить свой ответ

Войти через Google

или

Забыли пароль?

У меня нет аккаунта, я хочу Зарегистрироваться

How much to ban the user?
1 hour 1 day 100 years