• Пожалуйста!!!

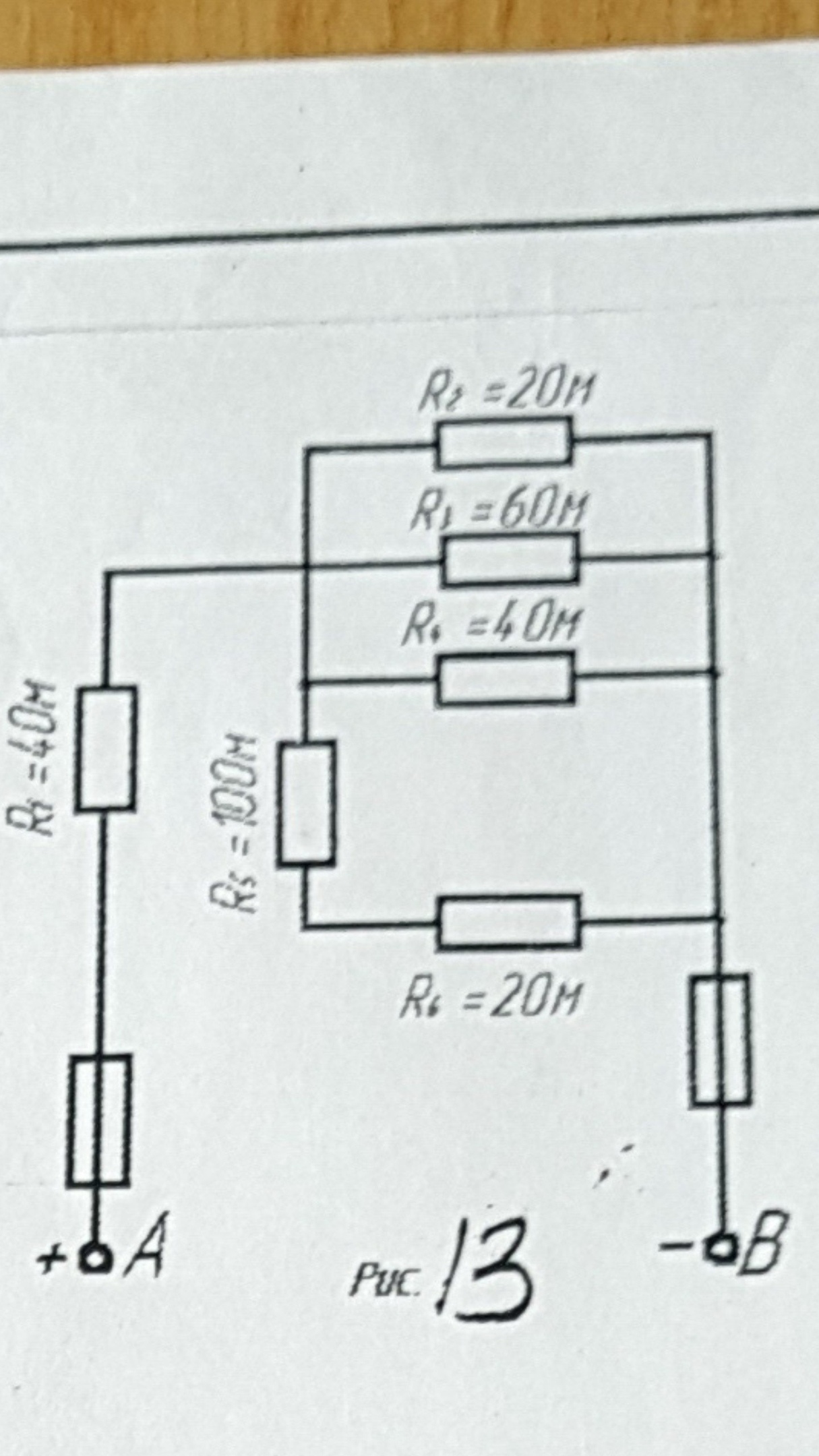
    Определить: 1. Общий R цепи 2. Общее U и I в неразветвлённой участке цепи 3. Ток и напряжение на каждом участке цепи (на резисторах).

    Если резистор r изымается, или резистор закорачивается. Напряжение на зажимах не меняется.
    Предохранители не учитываются!

    U6 = 24В


    R1=40m;R2=20m;R3=60m;R4=40m;R5=100m;R6=20m.

    question img

Ответы 2

  • 1. При последовательном соединении проводников общее сопротивление участка равно сумме сопротивлений проводников:

    2. При последовательном соединении проводников силы тока в каждом из проводников равны и равны общей силе тока на участке цепи:

    3. При последовательном соединении проводников сумма напряжений равна общему напряжению на участке цепи:

    4. При параллельном соединении проводников общая проводимость участка равна сумме проводимостей проводников:

    5. При параллельном соединении проводников сумма сил токов равна общей силе тока на участке цепи:

    6. При параллельном соединении проводников напряжения в каждом из проводников равны и равны общему напряжению на участке цепи:

    • Автор:

      carmona
    • 6 лет назад
    • 0
  • 1.  Последовательное соединении проводников общее сопротивление участка равно сумме сопротивлений проводников

    2. Последовательное соединении проводников силы тока в каждом из проводников равны и равны общей силе тока на участке цепи:

  • Добавить свой ответ

Войти через Google

или

Забыли пароль?

У меня нет аккаунта, я хочу Зарегистрироваться

How much to ban the user?
1 hour 1 day 100 years