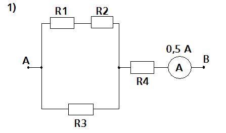
• Определите общее сопротивление цепи и напряжение на концах участка AB, если R1 = 4 Ом, R2 = 6 Ом, R3 = 15 Ом, R4 = 4 Ом.

    question img

Ответы 1

  • R1.2=R1+R2=4+6=10 Ом1/R1.2.3=1/R1.2+1/R3=1/10+1/15=0.1+0.067=0.167 R1.2.3=1/0.167=5.988≈6 ОмR1.2.3.4=R1.2.3+R4=6+4=10 ОмRобщ=10 ОмU=I*Rобщ=0.5*10=5 Весли ответ лучший отметь 
  • Добавить свой ответ

Еще вопросы

Войти через Google

или

Забыли пароль?

У меня нет аккаунта, я хочу Зарегистрироваться

How much to ban the user?
1 hour 1 day 100 years